DAFTAR ISI
4. Percobaan
Percobaan
*Klik teks untuk menuju
1. Merangkai dan menguji operasi dari gerbang logika dasar.
2. Merangkai dan menguji gerbang logika dasar, Aljabar Boelean, dan Peta
Karnaugh.
3. Merangkai dan menguji Multivibrator.
2. Alat dan Bahan [Kembali]
1. Panel DL 2203C.
2. Panel DL 2203D.
3. Panel DL 2203S.
4. Jumper.
3. Dasar Teori [Kembali]
erbang NOT merupakan gerbang di mana keluarannya akan selalu berlawanan dengan masukannya. Bila pada masukan diberikan tegangan, maka transistor akan jenuh dan keluaran akan bertegangan nol. Sedangkan bila pada masukannya diberi tegangan tertentu, maka transistor akan cut off, sehingga keluaran akan bertegangan tidak nol.
Gambar 1.11 Rangkaian percobaan 1
3. Dasar Teori [Kembali]
Bisa dilihat diatas bahwa keluaran akan bernilai 1 jika semua nilai input
adalah 1, dan jika salah satu atau lebih input ada yang bernilai nol maka output
akan bernilai nol
erbang NOT merupakan gerbang di mana keluarannya akan selalu berlawanan dengan masukannya. Bila pada masukan diberikan tegangan, maka transistor akan jenuh dan keluaran akan bertegangan nol. Sedangkan bila pada masukannya diberi tegangan tertentu, maka transistor akan cut off, sehingga keluaran akan bertegangan tidak nol.
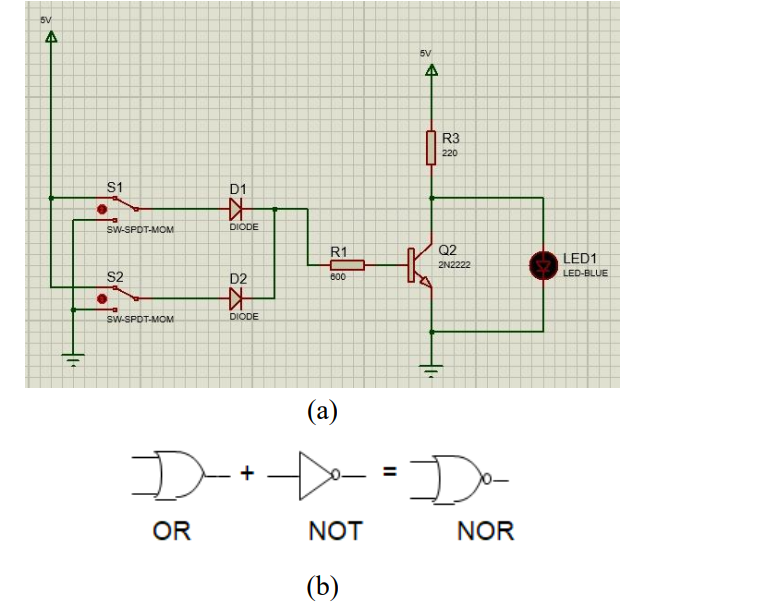
d. Gerbang NOR
Gambar 1.6 (a) Rangkaian dasar gerbang NOR (b) Simbol gerbang NOR
Gerbang NOR adalah gerbang OR yang disambung ke inverter. Jadi nilai
keluarannya merupakan kebalikan dari gerbang OR.
e. Gerbang NAND.
Gambar 1.7 (a) Rangkaian dasar gerbang NAND (b) Simbol gerbang NAND
Tabel 1.5 Tabel Kebenaran Logika NAND
Gerbang NAND adalah gerbang AND yang keluarannya disambungkan ke
inverter. Dan nilai dari tabel kebenarannya merupakan kebalikan dari tabel
kebenaran dari gerbang AND.
f. Gerbang Exclusive OR (X-OR)
X-OR merupakan gerbang OR yang bersifat exlusif, di mana keluarannya
akan nol jika masukannya bernilai sama, dan jika salah satu masukannya
berbeda maka keluarannya akan bernilai 1.
1.3.2 Multivibrator
Multivibrator termasuk kedalam rangkaian generatif, artinya suatu rangkaian
yang satu atau lebih titik keluarannya dengan sengaja dihubungkan kembali
kemasukan untuk memberikan umpan balik.
Multivibrator adalah rangkaian sekuensial atau rangkaian aktif.
Rangkaian ini dirancang untuk mempunyai karakteristik jika salah satu rangkaian
aktif bersifat menghantar, maka rangkaian aktif yang lain bersifat cut-off atau
terpancung. Multivibrator berfungsi untuk menyimpan bilangan biner, mencacah
pulsa, menahan atau mengingat pulsa trigger, menyerempakkan operasi
aritmatika, dan fungsi lain yang ada dalam sistem digital. Keluarga multivibrator
yang akan dibahas adalah rangkaian astabil, rangkaian bistabil dan rangkaian
monostabil
a. Multivibrator Astabil
Multivibrator astabil adalah multivibrator yang tidak mempunyai keadaan
stabil. Multivibrator akan berada pada salah satu keadaan selama sesaat dan
kemudian berpindah ke keadaan lain selama sesaat pula. Keluaran berosilasi di
antara dua keadaan tinggi dan rendah ditentukan oleh parameter rangkaian dan tidak
memerlukan pulsa masukan.Oleh karena itulah multivibrator astabil disebut juga
multivibator bebas bergerak atau free running multivbrator.Multivibrator ini biasa
digunakan sebagai pembangkit pula(clock). Multivibrator astabil juga dapat
dibangun menggunakan transistor IC pewaktuan dan resistor.
b. Multivibrator Monostabil
c. Multivibrator Bistabil
Rangkaian mulvibrator bistabil adalah rangkaian multivibrator yang
mempunyai dua keadaan stabil yaitu stabil tinggi atau keadaan logika tinggi dan
stabil rendah atau stabil rendah atau keadaan logika rendah. Keluaran bistabil akan
berubah dari keadaan tinggi ke keadaan rendah atau sebaliknya jika rangkaian
tersebut diberi suatu masukan atau di-triger. Rangkaian bistabil disebut juga
flipflop.Ada beberapa macam flip-flop yaitu RS, D, Togle, JK, dan JK master save
flipflop.
1.5 Prosedur Percobaan
1.5.1 Percobaan 1 Gerbang logika dasar
1. Buat rangkaian seperti pada gambar dibawah ini.
Gambar 1.11 Rangkaian percobaan 1
2. Set switch B0 dan B1 sesuai dengan jurnal, catat output H yang terjadi pada
tabel kebenaran.
3. Sekarang ganti switch B1 dengan input clock dan paralel kan ke output H.
4. Gambarkan bentuk sinyal keluaran pada tiap-tiap gerbang logika.
1.5.2 Percobaan 2 Aljabar Bolean
Diberikan fungsi :
Prosedur Percobaan:
a. Buat rangkaian seperti gambar berikut : Diagram logika dari rangkaian
yang menyatakan dua bentuk ekivalen dari fungsi yang telah
disederhanakan ditunjukkan pada gambar dibawah ini
b. Catat hasil yang didapat tersebut dalam bentuk tabel pada jurnal.
Bandingkan hasil di dapat dengan persamaaan awal.
1.5.3 Percobaan 3 Multivibrator monostabil
1. Buatlah rangkaian seperti pada gambar
2. Hubungkan input A & B dari
gambar 2 Dengan Swith B0 & B1 dan Output Q &Q dengan LED H0 &
H3.
2. Buatlah kondisi Swith B0 & B1 seperti pada jurnal yang telah disediakan
dengan menset pontensiometer dalamkondisi maksimum dan C8 pada 470
uf. Gambarkan bentuk sinyal yang anda dapatkan pada jurnal.
3. Catat lamanya LED H0 hidup dan lamanya H3 mati untuk setiap variasi
kapasitor dan resistor yang digunakan pada jurnal yang telah disediakan.
Tidak ada komentar:
Posting Komentar