1. Tujuan [Kembali]
1. Merangkai dan menguji berbagai macam flip-flop.

2. Alat dan Bahan [Kembali]



1. Panel DL 2203C.
2. Panel DL 2203D.
3. Panel DL 2203S.
4. Jumper.
3. Dasar Teori [Kembali]

2.3.1 Flip-Flop

    Flip-flop adalah rangkaian elektronika yang memilki dua kondisi stabil dan dapat digunakan untuk menyimpan informasi. Flip-flop merupakan pengaplikasian gerbang logika yang bersifat Multivibrator Bistabil. Dikatakan Multibrator Bistabil karena kedua tingkat tegangan keluaran pada Multivibrator tersebut adalah stabil dan hanya akan mengubah situasi tingkat tegangan keluarannya saat dipicu (trigger). Flip-flop mempunyai dua Output (Keluaran) yang salah satu outputnya merupakan komplemen Output yang lain. a. R-S Flip-Flop R-S Flip-flop merupakan dasar dari semua flip-flop yang memiliki 2 gerbang inputan atau masukan yaitu R dan S.

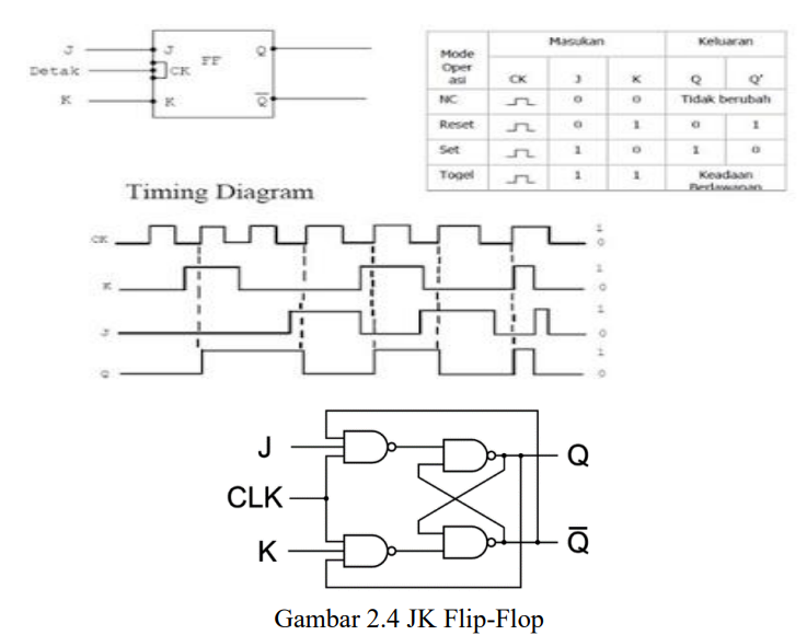
b. J-K Flip-Flop
Kelebihan J-K Flip-flop adalah tidak adanya kondisi terlarang atau yanng berarti diberi berapapun inputan asalkan terdapat clock maka akan terjadi perubahan pada keluaran atau outputnya

c. D Flip-Flop 

D Flip-flop merupakan salah satu jenis flip-flop yang dibangun dengan menggunakan flip-flop R-S. Perbedaan dengan R-S flip-flop terletak pada inputan R, dan D Flip-flop inputan R terlebih dahulu diberi gerbang NOT.


d. T Flip-Flop

T Flip-flop merupakan rangkaian flip-flop yang telah di buat dengan menggunakan J-K Flip-flop yang kedua inputannya dihubungkan menjadi satu maka akan diperoleh flip-flop yang memiliki watak membalik output sebelumnya jika inputannya tinggi dan outputnya akan tetap jika inputannya rendah. 


2.5 Prosedur Percobaan

2.5.1 Percobaan 1J-K flip flop dan D flip flop

1. Buatlah rangkaian seperti pada gambar berikut.


2. Buatlah kondisi switch-switch seperti pada jurnal yang telah disediakan

3. Catat kondisi logika LED H0 & H1 nya.

2.5.2 Percobaan 2 T flip-flop dan aplikasinya

1. Buatlah rangkaian seperti pada gambar 7. Hubungkan Output Q dan Q dengan LED H7 & H6

2. Buatlah kondisi Switch B0 s/d B4 seperti pada jurnal yang telah disediakan dan catat kondisi logika LED H0 & H1 nya.

Tidak ada komentar:

Posting Komentar

SISTEM DIGITAL Nama: Ramadhani NIM: 2010951036 Dosen Pengampu ; Darwison,M.T Referensi: a. Chang, R. and Goldsby, K.A.(2016), chemistr...